DAL定扭矩聯軸器
分享到:
長沙鼎立傳動機械有限公司位于水陸交通便利的湖南省長沙市寧鄉經濟技術開發區。專業研發、生產和銷售各種類型的聯軸器產品,其主導產品包括:QL系列滾珠聯軸器產品。
- 全國咨詢熱線:
- 13907486229
詳情介紹:
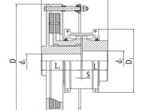
DAL型定扭矩安全聯軸器
扭力限制器(也叫扭矩限制器,安全聯軸器、安全離合器),是聯接主動機與工作機機的一種部件,主要功能為過載保護,扭力限制器是當超載或機械故障而導致所需扭矩超過設定值時,它以打滑形式限制傳動系統所傳動的扭力。
扭力限制器形消失后自行恢復聯結。這樣就防止了機械損壞,避免了昂貴的停機損失。扭力限制器采用彈簧負荷式摩擦表面,以。
螺帽或螺栓調整彈簧力,預設其滑動扭矩。按工作原理可分為摩擦式扭矩限制器和鋼球式扭矩限制器(滾珠式扭矩限制器),應用范圍:電子裝備行業、自動化生產線、輸送機行業等。
扭力限制器選擇的方法
選擇方法:
1、由負荷條件或機器之設計強度,決定所需的滑動扭矩.如機器的負荷條件不祥,則將扭矩限制器的滑動扭矩設定為其安裝軸相關電機所產生扭矩的1.5~2倍.
2、請選擇扭矩范圍和內徑范圍足夠的扭力限制器.由設在摩擦片間的中心構件厚度,決定正確的軸套長度.軸套的選擇不可大于中心構件的寬度,中心構件的厚度 自動復位功能,消除過載后,重新啟動驅動機便可自動復位;位置復位功能,確位置度或重復位置度;扭矩簡單易調且易讀,只需旋動調整螺母,再通過刻度盤及扭矩指示器即可輕松的將脫開扭矩值調至設定值。
扭力限制器(也叫扭矩限制器,安全聯軸器、安全離合器),是聯接主動機與工作機機的一種部件,主要功能為過載保護,扭力限制器是當超載或機械故障而導致所需扭矩超過設定值時,它以打滑形式限制傳動系統所傳動的扭力。
扭力限制器形消失后自行恢復聯結。這樣就防止了機械損壞,避免了昂貴的停機損失。扭力限制器采用彈簧負荷式摩擦表面,以。
扭力限制器選擇的方法
選擇方法:
1、由負荷條件或機器之設計強度,決定所需的滑動扭矩.如機器的負荷條件不祥,則將扭矩限制器的滑動扭矩設定為其安裝軸相關電機所產生扭矩的1.5~2倍.
2、請選擇扭矩范圍和內徑范圍足夠的扭力限制器.由設在摩擦片間的中心構件厚度,決定正確的軸套長度.軸套的選擇不可大于中心構件的寬度,中心構件的厚度 自動復位功能,消除過載后,重新啟動驅動機便可自動復位;位置復位功能,確位置度或重復位置度;扭矩簡單易調且易讀,只需旋動調整螺母,再通過刻度盤及扭矩指示器即可輕松的將脫開扭矩值調至設定值。











